|
近日随着第十三届全国人民代表大会召开,广汽集团领导人曾庆洪参加分组审议发言,其中提到强化技术创新,夯实制造业高质量发展的基础。近年来广汽传祺为深入实施创新驱动发展战略,也作出了重要努力。 广汽传祺在先进动力总成上的探索一直都处于行业领跑的地位,钜浪动力平台也已经实现了平台化、家族化。2021年12月全新第二代GS8作为传祺“混动化+智能化”双核驱动发展战略的首款落地车型上市,预示着广汽传祺已加速进入全面混动时代。
为了更深入了解传祺GMC 2.0,笔者来到了广汽研究院,和动力总成技术研发中心副主任祁宏钟进行了数小时的对话,揭开传祺GMC 2.0的一些鲜为人知的秘密。 破局先锋,最早探索多种混动线路 2022年开局,传祺就以2022款传祺GA6焕新上市拉开品牌焕新序幕。说明广汽传祺将持续坚持高品质发展应对“缺芯挑战”。作为中国自主汽车品牌标杆,广汽传祺可不是第一次当破局先锋,可以说传祺是国内最早探索多种混动技术路线的自主品牌。 在2009年,当许多中国品牌还在懵懂模仿的阶段时,传祺正式启动首款混合动力车型的开发工作,且很快推出基于P1+P4构型的混合动力车型,并向社会推出了200台车辆作示范运行。 5年之后,也即2014年,传祺正式上市国内首款增程式电动车——GA5 REV。电量只有13kWh的GA5 REV,纯电续航可达50km,NEDC工况下的百公里综合油耗才2.4L,这成绩放到现在也是可圈可点的。最重要的是,其售价在当时并不算贵,一款B级PHEV才19.93万起步。当时,荣威也有一款同等大小的B级PHEV,但起步价要去到差不多24万。直至现在,你依旧能在马路上看到这位国内增程式电动车的开山鼻祖,可见产品实力是多么强大。
2017年,仅仅过去了三年,传祺继续对其混动系统进行升级,从原来简单的增程式升级为更为复杂的,也是目前绝大多数中国品牌所采用的串并联式,并为其匹配了一台混动专用的发动机——1.5L 阿特金森循环发动机。 和简单的增程式相比,串并联式因为可以让发动机在合适的工况介入驱动,故而效率、动力都会更强一些。搭载这套混动系统的GA3S PHEV 在NEDC工况下的百公里综合油耗仅仅为1.4L,整车实测“零百加速”时间为8.9s,0-50km/h加速时间更是不超过4s。
这套系统,传祺称之为GMC 1.0。所谓“G”,即广汽GAC的首个字母;“MC”,即为Mechatronic Coupling,翻译过来就是机电耦合系统。事实上,无论是丰田的THS、还是本田的i-MMD,同属为机电耦合系统,只是名字上的不同罢了。 机电耦合系统,这个名字非常朴素,但含金量一点也不低。据了解到,当时拥有这一技术的车企,全球范围内不超过5家。由此可见广汽传祺是走在了行业前列的,并持续探索多种混动技术。 持续探索,多种混动技术路线的历程 作为广汽传祺“混动化+智能化”双核驱动战略首款落地车型,全新第二代GS8已上市,售价18.68万元-24.68万元,提供双擎系列和领航系列两种动力,共6款配置车型。在这一混动技术车型落地上市之前,广汽传祺之前的混动历程是怎么样的呢?不妨一起回顾一下。 早在2017年,搭载这一技术的GS4 PHEV和GA3S PHEV就已经同步上市了,所以研发时间估计还得往前推几年——但现在来看,一点也不过时。毕竟,现在比较火热的某些自主品牌的混动系统和它的结构原理是极为相似的。
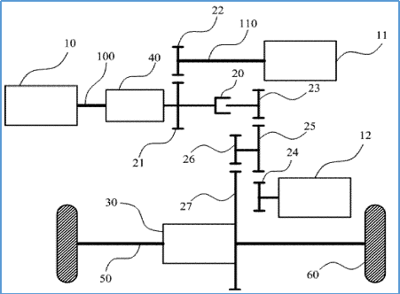
GMC1.0量产方案
2014年7月,广汽第一代GMC专利方案 2020年初,传祺对这套GMC 1.0进行了升级,把原来的1.5L ATK升级为1.5T涡轮增压发动机,使其发电效率更高,动力更强,使用场景更广,哪怕面对匮电状态下持续满负荷输出的工况也无所畏惧。 如果笔者没记错的话,搭载这套系统的GS4 PHEV是第一款敢对外宣告其匮电油耗的中国品牌插电混合动力车型。在当时,市面上大多数PHEV还在背负“有电一条龙,没电一条虫”的骂名——有电时什么都好,没电时哪哪都不好。 虽然GS4 PHEV上市已经有差不多两年时间了,但它那4.6L/100km的匮电油耗现在看来依旧是业内比较顶尖的水平,和现在搭载DM-i混动技术的,同为紧凑级SUV的宋Pro、宋PLUS 相差无几。
看到比亚迪的PHEV如此大卖的时候,很多人都在惋惜有深厚混动技术基础的传祺可能要错失市场的窗口期,起了个大早赶了个晚集。但没办法,传祺是一位理想主义者,推出2020款GS4 PHEV之后,他还在思索混动专用变速器更好的构型。 为此,传祺和欧洲的一些咨询公司合作,针对混动专用变速器可能存在的构型进行逐一分析。这不是一项简单的工作,因为存在的构型就有193000多种,这一过程不仅耗费了大量的人力物力,同时也耗费了大量非常宝贵的时间——足足六个多月。
传祺的混动技术路线是自主品牌最为领先的 2021年的广州车展,广汽传祺重磅发布“混动化+智能化” 双核驱动发展战略,并提出发展目标:2025年全系车型混动化,2030年混动销量占比超60%,挑战2045年实现碳中和。广汽乘用车总经理张跃赛表示:“混动是当下最好的选择,正迈入黄金发展期,将开启传祺的混动元年,做低碳时代的‘头部玩家’”。是什么样的底气能让广汽传祺提出这样的发展目标呢?其实更源自于广汽传祺的持续深耕,才有今天的成就。
目前为止,传祺的混动技术路线是国内最为繁多的:既有丰田THS功率分流式,又有自主研发的双挡串并联式和单挡串并联式,之前也做过增程式和P1+P4的并联式。可以说,没有哪条混动技术路线,传祺没有尝试过。
这套GMC 2.0具有极强的兼容性,既能做成HEV,PHEV,同时也能做成增程式。 从19万3千多种构型中,传祺最终选择了两挡串并联构型的混动专用变速箱,也即我们现在看到的GMC 2.0。 和本田的i-MMD、比亚迪的超级混动DM-i相比,传祺多了一个挡位,能让处于高效工作区间的发动机更容易介入驱动,使整车的能耗更低,动力更强;和同为两挡结构的长城柠檬DHT相比,传祺的换挡机构采用的是AT形式,换挡动作更加柔顺。
据了解到,GMC 2.0这一构型和某合资车企最新一代是高度相似的。可以说,如果购买了采用GMC 2.0的传祺车,实际上就是在用国产车的钱买合资车企下一代的车型,先人一步享受更强劲、更平顺的动力。这非常难得!你怎么会想到在驱动系统方面,中国品牌居然走在了外资品牌的前面。 其实,GMC 2.0早在2019年的广州车展就已经正式对外发布了,之所以直至现在也还没量产下线,还是因为传祺的理想主义——必须狠抓品质。所以,他们对GMC 2.0进行了多番验证:台架试验10万个小时之后,还搭载实车进行了等效近1000万公里的验证。
坚持技术创新发展,智能化持续落地 如今,中国汽车市场混战激烈。各大自主汽车品牌持续布局智能化,并以车联网、自动驾驶、移动出行体验为主要发力方向。 而站在汽车智能化风口的广汽传祺,以技术为抓手,聚焦智能科技,通过自主研发和开放合作,依托ADiGO 4.0智驾互联生态系统,在智能座舱、智能驾驶和AR智能领域均取得了领先优势。
2021年4月,广汽传祺推出超感交互智能座舱。该座舱可通过AI、AR、大数据和5G互联,实现人机交互功能,如人脸识别登录、手势控制、疲劳提醒、支持持续OTA升级等,已陆续搭载在传祺GS4 PLUS、影豹、全新第二代GS8等众多车型上,为消费者带来更智能化的用车体验。
未来,广汽传祺还将对超感交互智能座舱进行再升级,联合博世智能团队等合作伙伴,开发ADiGO 4.0超感交互智能座舱,采用高通8155行业顶级的车规级座舱芯片,体积会更小、带宽会更大、功耗会更低,性能会更强,可谓是汽车座舱最强大脑。
智能驾驶方面,广汽传祺更是在2021广州车展上发布了广汽智能领航辅助系统。该系统基于广汽自研的L2++级智能驾驶平台打造,搭载了华为高算力域控平台及34个高性能传感器,涵盖高速、城区、泊车的点到点全场景,支持高速、城市及停车场的智能领航辅助,可实现自动按照设定的导航路径行驶,具有超高算力、超强感知、功能丰富、人机共驾、集成“一张图”等功能。
AR智能方面,广汽传祺实现了国内首款量产AR-HUD,采用全球领先的DLP技术,属国内自主技术首发,显示尺寸行业领先,现已搭载在全新第二代GS8领航系列四驱至尊版上。 作为广汽传祺“混动化+智能化”战略下的首款落地车型,全新第二代GS8在智能化方面可谓是“集大成者”,不仅搭载了全面升级的ADiGO 4.0超感交互智能座舱,还首次搭载了AVDC影子车手。而AVDC影子车手,即广汽自适应车辆动态控制系统,是目前最符合中国人特征的驾乘辅助系统,可通过各个子系统之间交互传感器信息,以整车最佳方案对车辆各节点进行集成控制,为用户提供更加人性化的高品质智驾体验。 结语: 通过此次对话,可以得知广汽传祺混动是目前自主品牌中首个拥有两套混动系统的车企,看到这里想必大家还会问到,广汽传祺在今年内还会上新其它混动车型吗?笔者可以给大家透露的消息是,会的,今年传祺将会推出多款搭载混动的车型上新,不妨期待一下。同时也相信传祺会继续坚持创新发展战略,在混动化+智能化领域继续深耕,继续坚持科技创新,满足产品差异化,以“黑科技”智领未来,继续为广大用户提供更高的价值享受。
已经来临的2022年,在“混动化+智能化”双核驱动战略下的传祺变的更加值得期待。今年正值传祺成立14周年,经过十几年的市场锤炼,广汽传祺不断提升研发实力、打磨产品,以高品质好车助推品牌力向上,同时也会持续发力逐渐缩短了与合资品牌间的差距。 图片:官方、网络 转载改写自:DearAuto 原标题:《“所有指标最优”的最强混动是如何炼成的——对话祁宏钟|青主问道》 (责任编辑:王建峰) |














